Innehåll
Ett komplett startpaket innehåller följande komponenter.
- Styrbox
Beskrivning
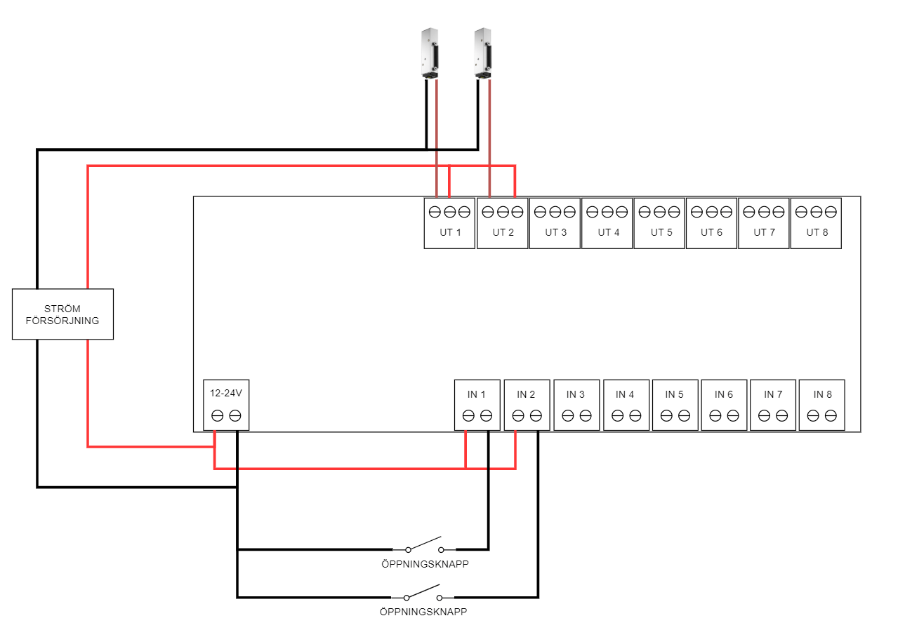
Utöver styrbox så behöver du vara utrustad med en strömförsörjning 12-24V för lås och styrbox.
Installation kortfattad
- Börja med att förlägga en nätverkskabel ifrån den plats där inkommande internet
eller närmaste switch finns belägen, dock max 100 meter. Till den aktuella dörren
där styrbox skall monteras. O.B.S Kabeln skall minst vara av typ CAT 5E. - Montera dörrboxen i närheten av aktuell dörr. Kontaktera den nätverkskabeln
som nyss har förlagts med en RJ45 kontakt i båda ändar enligt standard T568B
se bild nedan.
- Anslut strömförsörjning på inkommande 12-24V
- Anslut varje styrutgång till respektive lås/port
- Anslut öppningknapp till respektive ingång
- Montera NFC etikett på dörr.
- Din mobilöppning är installerad gå vidare till installation i tjänst.
Systemuppbyggnad

Inkoppling styrbox

El-lås ansluts på plint märkt UT1-8.
VIKTIGT: använd skyddsdiod på låset/el-slutblecket då spänningsspiken vid
låsning av lås annars kan skada elektronik i dess närhet om låset inte har inbyggd diod.
Öppningsknapp ansluts på ingång 1-8.
Uppstart
När installationen är färdigställd är det dags för uppstart av Styrboxen.
- Anslut Spänningskontakten i styrboxen.
- När enheten startat skall en av de två dioderna på Styrbox blinka var 5:e sekund
samt den andra dioder lysa konstant. - Nu är den lokala uppstarten klar och resterande installation sker i tjänsten
www.axessa.cloud
IP-adress
Enheten står som DHCP som standard och fast ip kan ställas ifrån Axessa Cloud.
Kablage specifikation
Kabel mellan ellås/öppningknapp och styrbox 0.3 mm2.
Kabel mellan Switch och dörrbox skall vara av typ Categori 6 eller bättre.
Felsökning
Vid eventuellt problem börja alltid med att kontrollera att enhet använder senaste Firmware, om inte
uppdatera enhet.
- Ellås låser inte upp
- Svar: Kontrollera att rätt utgång är kopplad till dörrmiljön i Axessa cloud
- Öppningsnapp låser inte upp dörr
- Svar: Kontrollera att ingång kopplats till aktuell dörrmiljö i Axessa Cloud